内丘县自然资源和规划局 关于官庄镇北阳村村民韩建峰拟建农村住宅规划设计方案及乡村建设规划许可证批前公示的公告
2025-09-16 发布机构:自然资源和规划局 浏览次数:149 字体:[大 中 小]
体裁分类:公告公示 主题分类:城乡建设、环境保护 文号: 索引号:linyeju/1757985135340
内丘县自然资源和规划局
关于官庄镇北阳村村民韩建峰拟建农村住宅规划设计方案及乡村建设规划许可证批前公示的公告
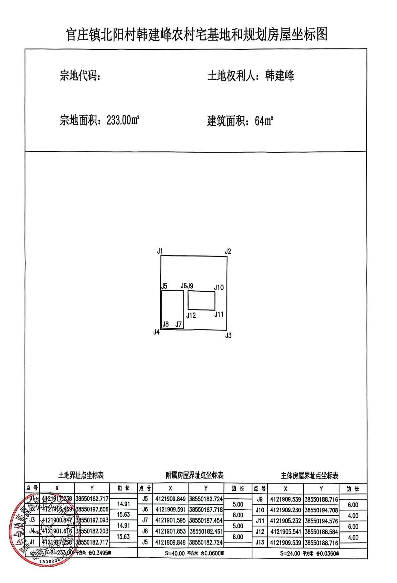
按照《中华人民共和国行政许可法》、《中华人民共和国城乡规划法》、《河北省城乡规划条例》等法律法规,依据官庄镇北阳村村民韩建峰选用的《内丘农村住宅设计通用图集》(方案四),我局拟同意韩建峰拟建住宅选定规划设计方案并将核发《乡村建设规划许可证》,为广泛征求意见和建议,保障利害关系人合法权益,现就该村民拟建农村住宅平面图、立面图、宅基地及规划房屋坐标图及行政许可事项进行批前公示。公示内容如下:
一、项目名称:内丘县官庄镇北阳村村民韩建峰农村住宅
二、申请人:韩建峰
三、建设位置:内丘县官庄镇北阳村
四、用地面积:233.00平方米
总建筑面积:64.00平方米
地上建筑面积:64.00平方米
地下建筑面积:0平方米
五、依据官庄镇北阳村村民韩建峰选用的《内丘农村住宅设计通用图集》(方案四)进行公示
平面图及立面图


乡村建设规划许可证核发前的北阳村韩建峰宅基地和规划房屋坐标公示图

公示地点:1、内丘县政府信息公开平台
2、项目现场。
公示时间: 2025年9月16日至2025年9月25日
联系电话:0319-6867763
内丘县自然资源和规划局
2025年9月16日


