内丘县自然资源和规划局 关于金店镇后夏侯村村民李红彬拟建农村住宅规划设计方案及乡村建设规划许可证批前公示的公告
2026-02-03 发布机构:自然资源和规划局 浏览次数:3 字体:[大 中 小]
体裁分类:公告公示 主题分类:城乡建设、环境保护 文号: 索引号:linyeju/1770099922545
按照《中华人民共和国行政许可法》、《中华人民共和国城乡规划法》、《河北省城乡规划条例》等法律法规,依据金店镇后夏侯村村民李红彬选用的《内丘农村住宅设计通用图集》(方案三),我局拟同意李红彬拟建住宅选定规划设计方案并将核发《乡村建设规划许可证》,为广泛征求意见和建议,保障利害关系人合法权益,现就该村民拟建农村住宅平面图、立面图、宅基地及规划房屋坐标图及行政许可事项进行批前公示。公示内容如下:
一、项目名称:内丘县金店镇后夏侯村村民李红彬农村住宅
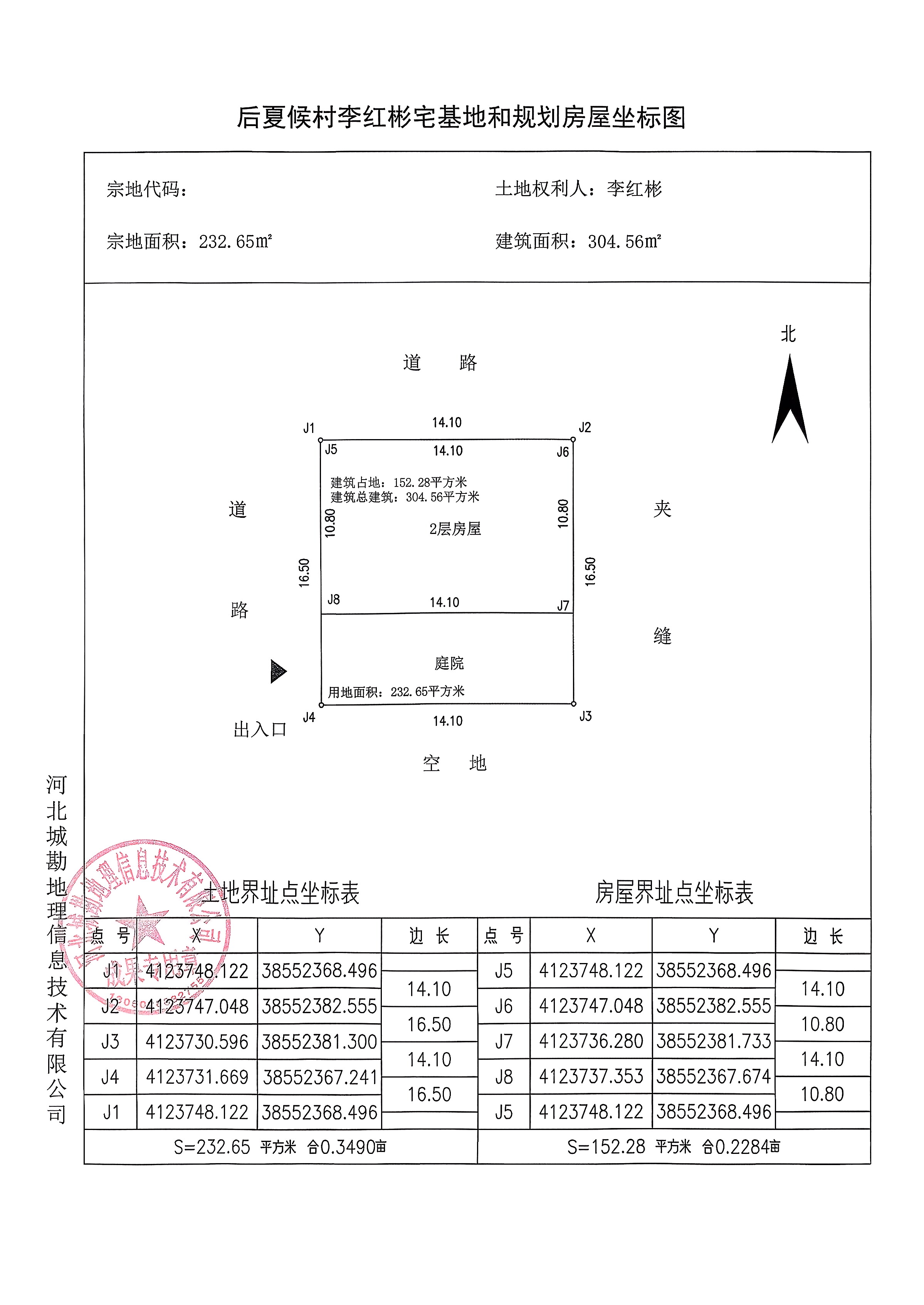
二、申请人:李红彬
三、建设位置:内丘县金店镇后夏侯村
四、用地面积:232.65平方米
总建筑面积:304.56平方米
地上建筑面积:304.56平方米
地下建筑面积:0平方米
建筑层数:2层
五、依据金店镇后夏侯村李红彬选用的《内丘农村住宅设计通用图集》(方案三)进行公示
平面图及立面图


乡村建设规划许可证核发前的后夏侯村李红彬宅基地和规划房屋坐标公示图

依据《中华人民共和国行政许可法》,该项目相关利害关系人可以自公告公示之日起10日内,持有效身份证明向本机关陈述你对该项行政许可事项的书面意见,并可以提出听证申请。逾期未提出的,视为放弃上述权利,我局将依法作出相关行政许可。
公示地点:1、内丘县政府信息公开平台
2、项目现场。
公示时间: 2026年02月03日至2026年02月12日
联系电话:0319-6867763
内丘县自然资源和规划局
2026年02月03日


